热线:021-69780975 技术部:18521430112 销售部:15601879883 售后:13585786639
English
首页
工业应用
工业应用
食品加工
物流机场
工业生产
建材行业
纺织工业
造纸印刷工业
运动休闲
烟草工业
商用机械
太阳能光伏行业
产品中心
产品中心
高效率同步齿形带
高效平带
均质一体带
输送带和加工带
塑料模块输送带
其他产品
客户案例
蒙提技术支持
蒙提技术支持
根据客户的使用工况选型
常规的导条尺寸标准参数
输送带的防静电和导电性能标准参数
输送带安装伸长率和张紧计算
新闻中心
新闻中心
公司新闻
行业新闻
关于我们
关于我们
公司简介
公司理念
系统服务
人才招聘
联系我们
首页
|
产品中心
|
其他产品
产品中心
高效率同步齿形带
高效平带
均质一体带
输送带和加工带
塑料模块输送带
其他产品
其他产品
皮带刮板
2025-03-07
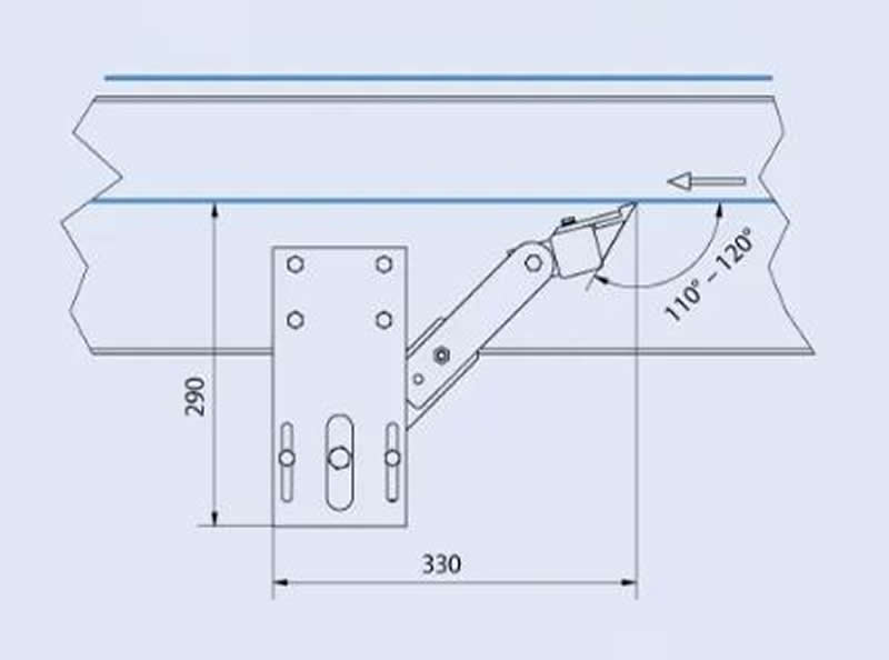
皮带刮板模块
特性:
●
适用于材质为聚氨酯和聚酯的皮带刮板
●
坚固和紧凑的设计
●
可调节的持续接触力
●
可调节的刮板角度